Задать вопрос!

Оборудование

Изделия из пластика

Бытовые товары

Технологии

Услуги

Полезная информация

Запрос по оборудованию

Однофазный электродвигатель 1.1 кВт, 1500 об/мин, модель 5АИЕ 80 В4

Однофазный электродвигатель 1.1 кВт, 1500 об/мин, модель 5АИЕ 80 В4
Цена:
договорная
Мощность электродвигателя кВт (киловатт):
1.1
Частота вращения об/мин:
1500
Напряжение V:
220
Ток А:
7.82
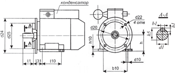
Присоединительные размеры Двигатель на Лапах:
Однофазный электродвигатель 1.1 кВт, 1500 об/мин, модель 5АИЕ 80 В4
Присоединительные размеры Двигатель на Лапах и Фланце:
Однофазный электродвигатель 1.1 кВт, 1500 об/мин, модель 5АИЕ 80 В4
l1:
50
l10:
100
l31:
50
d1:
22
d10:
8
d20:
165
d22:
12
d24:
200
d25:
130
b1:
6
b10:
125
h1:
6
h5:
24.5
h10:
9
h:
80
Внимание!
Размеры: l1, l31, l10, d1, d20, d22, b10, h - соответствуют стандартам ГОСТ 183-74 и ГОСТ 31606-2012. Остальные указанные размеры носят информационный характер, и могут быть изменены производителем без предварительного уведомления.

Форма запроса актуальной цены на электродвигатель

Отправьте запрос актуальной цены на конкретный электродвигатель и получите ответ на электронный адрес или по СМС на телефон.

Введите ваше имя
Введите ваш электонный адрес, если хотите получить ответ на запрос письмом
Введите ваш номер телефона, если хотите получить ответ по СМС

Контактная информация

ООО "Монолит-групп" 420129, г.Казань, ул. Лиственная, д. 45А

ИНН 1659074648 ОГРН 1071690045734

Телефон и WhatsApp: +7 9600 304 888 время Московское

Электронный адрес: monolit-kzn@mail.ru

monolitgrupp.ru    работаем с 2011 года.

Задать вопрос!