Задать вопрос!

Оборудование

Изделия из пластика

Бытовые товары

Технологии

Услуги

Полезная информация

Запрос по оборудованию

Насосы НШ с электродвигателем


 
Чтобы узнать стоимость конкретного агрегата Насоса НШ с Электродвигателем, отправьте нам запрос. Нажмите на кнопку "Задать вопрос" ниже на странице!
 
Что нужно знать при заказе агрегата с насосом НШ:
1. Необходимое давление в системе мПа, bar
2. Необходимую производительность л/мин
 
Если затрудняетесь с расчетами, просто напишите что вам нужно или спросите в комментариях на странице.
Обязательно отвечаем всем.
 
При изготовлении различных гидроагрегатов, часто требуется применить электродвигатель, в качестве привода масляного насоса НШ или подобных. Для осуществления  чего требуются конверсионные муфты и переходники, соединяющие электродвигатель с масляным насосом.  Как ни странно, достаточно востребованное оборудование не выпускается ни производителями электродвигателей, ни производителями гидравлических компонентов. Столкнувшись с подобной ситуацией, мы разработали переходники и муфты собственной конструкции, которая зарекомендовала себя самым наилучшим образом и с успехом применяем их в производстве собственного оборудования с электроприводом гидравлики.
 
ООО "МонолитГрупп" производит переходники для соединения электродвигателей и насосов НШ (и других масляных насосов).
 

 
Насосы НШ с электродвигателем 0 Насосы НШ с электродвигателем 1 Насосы НШ с электродвигателем 2 Насосы НШ с электродвигателем 3 Насосы НШ с электродвигателем 4 Насосы НШ с электродвигателем 5 Насосы НШ с электродвигателем 6 Насосы НШ с электродвигателем 7 Насосы НШ с электродвигателем 8 Насосы НШ с электродвигателем 9 Насосы НШ с электродвигателем 10
Насосы НШ с электродвигателем
Насосы НШ с электродвигателем
Насосы НШ с электродвигателем
Продаем готовые сборки Электродвигатель - Насос НШ (насосные агрегаты):
 
Насос НШ 4 - Электродвигатель
Насос НШ 6 - Электродвигатель  
Насос НШ 10 - Электродвигатель
Насос НШ 16 - Электродвигатель
Насос НШ 32 - Электродвигатель
Насос НШ 50 - Электродвигатель
 
В таблице приведены примеры комплектаций гидроагрегатов, под оптимальные значения для насосов НШ: обороты 1500 об/мин, рабочее давление - 16 мПа
 

  Объём насоса см 3
 Мощность Электродвигателя кВт
  Производительность агрегата л/мин
 НШ-4   2,2  5,4
 НШ-6   3  8,1
 НШ-10   5,5  13,5
 НШ-16   7,5  21,6
 НШ-25   11  33,8
 НШ-32   15  43,2
 НШ-50   22  67,5
 НШ-71   30  95,8
 НШ-100   45  135
НШ-150
75
202,5

 
Для расчета стоимости сборки необходимо знать мощность электродвигателя и объем насоса.
Чтобы определить какого объема нужен насос и какой мощности нужен электродвигатель воспользуйтесь нашим калькулятором маслостанций
 
При подборе электродвигателя учитывайте, что для стандартного насоса требуется привод с вращением 1500 об/мин .
 
Если возникают трудности, с расчетом необходимой мощности электродвигателя и объема масляного насоса, а так же для расчета стоимости конкретной сборки "НШ - Электродвигатель" опишите проблему в комментариях ниже на странице.
 
В сборках "Электродвигатель- НШ" используются масляные насосы производства "Гидросила" и электродвигатели производства ГК "Элком" или ОАО "Могилевский завод "Электродвигатель".
 
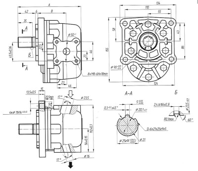
При необходимости, можем изготовить раму-станину, по вашим размерам, для крепления насосного агрегата. Возможно изготовление переходников под ваш электродвигатель и насос. Для этого необходимо знать посадочные размеры фланца электродвигателя, диаметр и длину вала, размер шпонки и посадочные размеры насоса.
 
Высылаем в регионы комплекты переходников "НШ - Электродвигатель" и готовые сборки. Доставка транспортными компаниями на ваш выбор.
 
Проектируем и производим Гидростанции под требования заказчика, подробнее по ссылке Гидростанции Маслостанции
 
максим
11:05
Здравствуйте! Хочу сделать установку для прокола грунта. цилиндр с эксковатора(МТЗ). какой мне нужен двигатель чтоб он не грелся от нагрузки и не сгорел.
Здравствуйте! на экскаваторе МТЗ как минимум 6 разных гидроцилиндров. не зная размеры гидроцилиндра, необходимое усилие на штоке, длину хода штока, нужное время выдвижения штока, не возможно что-то рассчитать.
Игорь
21:05
Добрый день. Сколько будет стоить НШ-4 с электродвигателем 220 вольт (однофазная сеть) или с частотником при рабочем давлении 6-7Мпа. Двигатель на лапах.
Здравствуйте! Агрегат 1 кВт, 1500 об/мин, однофазный (220вольт), насос GP2K4 (аналог НШ-4), максимальное давление 8 мПа, производительность 5,4 л/мин. Цена 19000р.
Агрегат 1 кВт, 1500 об/мин, однофазный (220вольт), насос НШ-6, максимальное давление 6 мПа, производительность 8,1 л/мин. Цена 17800р.
Двигатели комбинированные (лапы-фланец)
Игорь
21:28
Это стоимость с НДС? Возможна оплата без НДС как частное лицо?
Стоимость с НДС. Можете оплатить как частное лицо переводом на карту или через системы денежных переводов Юнистрим, Вестерн Юнион и т.п. Цена не изменится.
Михаил
11:10
Добрый день! Для гидромолота ГПМ-120 используем НШ-100. Сколько будет стоить электродвигатель + комплект для подключения?
Рабочее давление НШ-100 16мПа, чтобы насос выдавал такое давление, необходим привод мощностью 42 кВт, ближайший стандартный электродвигатель 45 кВт. Цена комплекта: Электродвигатель 45 кВт, 1500 об/мин, +колокол, +муфта НШ-100 = 78000р
Владимир
06:38
Здравствуйте. У вас можно приобрести насос НШ-24 и сколько он будет стоить?
Здравствуйте! НШ-24 не встречал ни разу. есть НШ-25, либо аналог GP2K25 — объёмом 24,8 куб.см или GP2K23 — объёмом 22,5 куб.см. Эти насосы можно привести на заказ, цена в районе 5000-5500р.
Владимир
07:37
Спасибо. У НШ-25 какой диаметр вала?
Посадочные размеры НШ-25 такие же как у НШ-32 и НШ-50.

Владимир
07:43
Спасибо
михаил
20:45
просто на лапах скажите цену и сколько будет стоить доставка до г киселевска кемеровской области
Здравствуйте! Цена Электродвигателя 1,5 кВт, 1500 об/мин, на лапах, 1 фазного (220в), на сегодняшний день 6600р. Доставка до Киселевска в районе 2000р.
михаил
13:04
а можно у вас один мотор приобрести
Можно, какой нужен, фланцевый на лапах или просто на лапах?
михаил
10:09
нужен электродвигатель 220 в для перекачки масла на расстояние 8-10 метров насосом нш-50 какой посоветуйте и сколько будет стоить
Здравствуйте! максимально мощный электродвигатель на 220вольт 1,5 кВт + насос НШ-50 цена агрегата 19500р.
Tarut
10:13
Да, ещё, забыл указать о наличии гидрораспределителя p40 a1 gkz1 который будет работать в этой системе
гидрораспределитель значения не имеет. С НШ-10 скорость выдвижения штока будет 3 секунды.
Tarut
19:37
сколько стоит комплект муфты и нш16 к этому двигателю?
Муфта + переходник + НШ-16 Цена 13000р
Tarut
19:41
ок, спасибо
Tarut
09:51
Здравствуйте есть двигатель 7.5квт 1000об и цилиндр 60х30чх175 какой насос нужно поставить чтобы получить максимальную скорость и силу штока? по паспортным данным максимальная сила с которой давит шток этого цилиндра 5 т
Здравствуйте! подойдет НШ-16, скорость выдвижения штока будет 2 секунды, давление отрегулируйте на 17,5 мПа, г/п гидроцилиндра 5 тонн.
Tarut
10:02
сколько стоит комплект муфты и нш10 к этому двигателю? а с помощью нш10 какие данные можно получить?
Диана
08:51
Добрый день!
Подскажите, габариты НШ 4 с эл.двигатетелем. для расчета перевозки (в/ш/г вес)
Спасибо!
Здравствуйте Диана!
Электродвигатель какой мощности? у электродвигателей вес и габариты разные, в зависимости от мощности.
Диана
12:40
Электродвигатель 3кВт, 380в, 1500 об/мин, насос НШ-4, переходник Электродвигатель-Насос,
муфта Электродвигатель-Насос.
Производительность (расход) 5,4 л/мин. Давление 25 мПа (250 bar)
Вес агрегата 50-55 кг. габариты 350х250х500
Диана
07:43
Спасибо!
Андрей
20:12
Интересует сборка двигатель, колокол, муфта и двойной насос нш32-10 двигатель 7,5 квт 1500 оборотов, цена?
Здравствуйте Андрей! Цена сборки на сегодняшний день 33500р.
Дмитрий
20:29
Здравствуйте! Cколько будет стоить сборка 4кВт +НШ10?
Здравствуйте Дмитрий! агрегат 4 кВт, 1500 об/мин, насос НШ-10, на сегодняшний день стоит 19800р.
Дмитрий
20:44
А отдельно переходник с муфтой?
Вася
21:57
Интересует сбока двигатель, колокол, муфта и двойной насос нш32-10, цена?
Какой мощности нужен электродвигатель?
Дормидонт
11:59
Доброго дня.
Планирую такой комплект:
Мотор 380/3кВт/1500, насос НШ-10, цилиндр д100, ход 100 мм.
Вопросы:
1) — порекомендуйте цилиндр марку
2) — помогите расчитать давление, усилие и скорость подачи штока.
3) — стоимость по-отдельности и вместе, если покупать у вас.
Спасибо.
Здравствуйте Дормидонт!
Отвечаю по пунктам:
1. Минимально возможный, с поршнем диаметром 100 мм это ЦГ-100.56х140.11 ход 140мм
2. Насос НШ-10, электродвигателем 3 кВт, сможет создать давление 11 мПа, Скорость выдвижения штока на 140мм — 5 секунд, Усилие на штоке 8,8 тонн.
3. Стоимость агрегата 18600р. Гидроцилиндра в наличии нет.
андрей
12:22
делаем гидропресс потянет ли эл, двигатель 1,1кв насос нш 10
потянет, с максимальным давлением в системе 4 мПа
Загрузка...

Контактная информация

ООО "Монолит-групп" 420129, г.Казань, ул. Лиственная, д. 45А

ИНН 1659074648 ОГРН 1071690045734

Телефон и WhatsApp: +7 9600 304 888 время Московское

Электронный адрес: monolit-kzn@mail.ru

monolitgrupp.ru    работаем с 2011 года.

Задать вопрос!